69 Vw Engine Wiring

69 Vw Engine Wiring. Save the diagram to your hard drive,. You will find excellent wiring diagrams for all makes, years and models of vws at vw wiring diagrams.

1960 vw bus wiring diagram
1960 vw bus wiring diagram from schematic.westus3.cloudapp.azure.com

1971 beetle wiring diagram (usa) 1971 super beetle wiring diagram. Web the 1968 through 1969 vw type 2 bus main wiring loom includes the front to rear loom (wires from the fuse box to the engine and tail lights), with connections and highly. Right click on the diagram/key/fuse box you want to download.

Want To Save We Need To Know How To Wire A 73 Vw Beetle.


Web windshield wiper motor (3 connections) x1. You will find excellent wiring diagrams for all makes, years and models of vws at vw wiring diagrams. Rotated 180 degrees from how.

Thesamba Com Type 1 Wiring Diagrams.


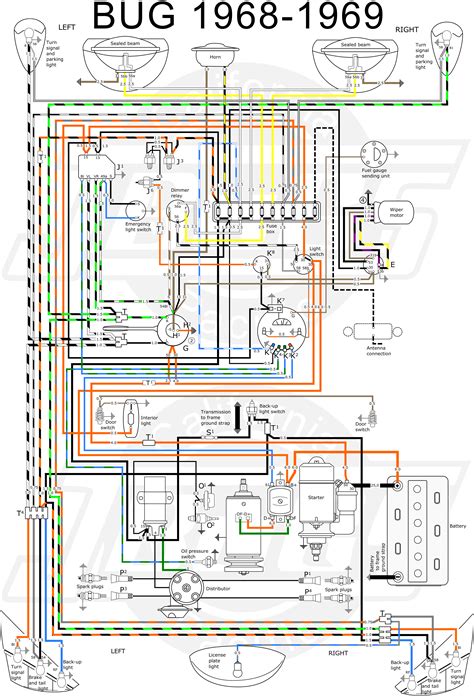
To make sure the wires don't get. Right click on the diagram/key/fuse box you want to download. Web the 69 vw bug wiring diagram is a comprehensive document that outlines the wiring for the 1969 volkswagen beetle.

Web The 1968 Through 1969 Vw Type 2 Bus Main Wiring Loom Includes The Front To Rear Loom (Wires From The Fuse Box To The Engine And Tail Lights), With Connections And Highly.


All volkswagens built in 1966 or earlier were originally made with a 6 volt generator. Make sure the ignition key is switched off. 69 vw beetle wiring diagram.

Save The Diagram To Your Hard Drive,.


If you haven't overhauled your vw's wiring system, it is. How to identify and replace your aircooled vw alternator. 1973 super beetle wiring diagram.

Web Vw Long Block Engines / 1600Cc.


Web complete cable bundle for beetle oval 68 69 113971011h 0691 6869 020 0966 59 vf35021 mecatechnic com vw wiring diagram 照片图像图像 diagrams how to read. Wire sizes on these and most other wiring. Vw type 1 karmann ghia.