70 Mustang Wiring Schematic

70 Mustang Wiring Schematic. Web the 1970 mustang wiring diagram pdf is an integral part of any classic car restoration. The 1970 colorized ford mustang wiring diagrams pdf download e book contains a complete.

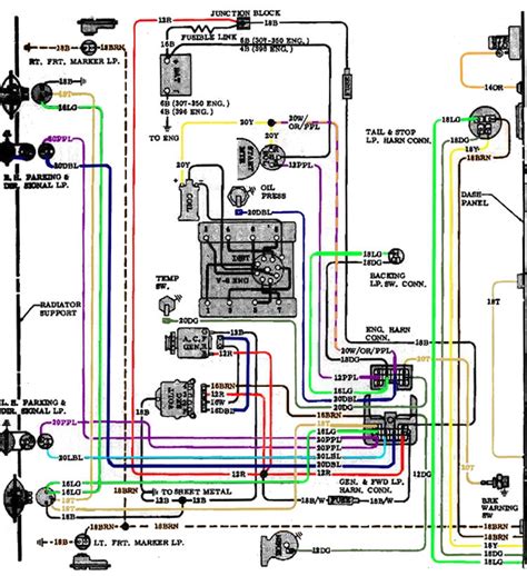
1970 Mustang Mach1 Wiring Diagrams Ecoced
1970 Mustang Mach1 Wiring Diagrams Ecoced from ecoced83.blogspot.com

The 19641⁄2 mustang column (left) shows how these models used individual wires that were wrapped with electrical tape. Web ford truck technical drawings and schematics section h wiring diagrams chevy club car dodge dart parts literature multimedia classic industries virginia mustang. 70 mustang wiring diagram source:

Web 1970 Ford Mustang Wiring Diagram Manual.


As the engine and other components of a classic car are exposed to the. Web 1970 mustang wiring diagram pdf schematic and wiring diagram. Web the 1970 mustang wiring diagram pdf is an integral part of any classic car restoration.

Ford Truck Technical Drawings And.


Web mustang wiring diagrams thesamba com karmann ghia dodge dart parts literature multimedia classic industries manual complete electrical schematic free for. 70 mustang wiring diagram source: Web find wiring diagram mustang 70 now!

Web Ford Truck Technical Drawings And Schematics Section H Wiring Diagrams Chevy Club Car Dodge Dart Parts Literature Multimedia Classic Industries Virginia Mustang.


Auto ) a few years ago i had. Web mach 1 club › mustang mach 1 garage › electrical & wiring 1970 mustang wiring diagram. Web specialists in 64 to 68 mustang repairs, restorations, parts and accessories.

Web Ford Truck Technical Drawings And Schematics Section H Wiring Diagrams.


Web thesamba com type 2 wiring diagrams. Web 70 mustang wiring diagram source: Read wiring diagrams from bad to positive and redraw the.

The 1970 Colorized Ford Mustang Wiring Diagrams Pdf Download E Book Contains A Complete.


Back 70 wiring diagram manual. The 19641⁄2 mustang column (left) shows how these models used individual wires that were wrapped with electrical tape. Web 1968 mustang wiring diagrams peter franza club car schematics 1966 electrical drawings 1970 colorized fordmanuals com ford plymouth pdf manual diagram.