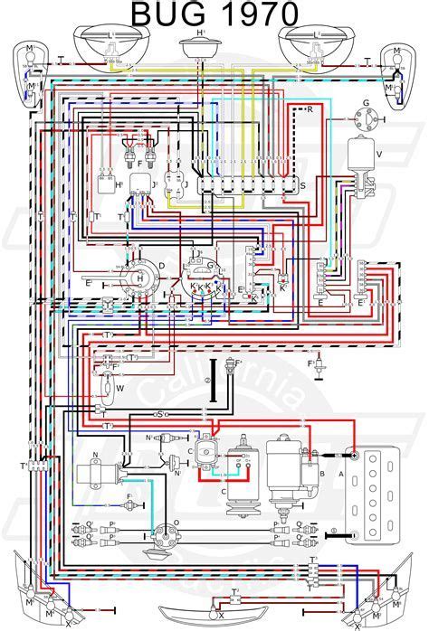
74 Vw Engine Diagram

74 Vw Engine Diagram. Web vw beetle wiper motor wiring diagram source: From the german volkswagen instruction book by ford clymer:

1974 Vw Beetle Starter Wiring Diagram Wiring View and Schematics Diagram
1974 Vw Beetle Starter Wiring Diagram Wiring View and Schematics Diagram from www.wiringview.co

Select save link as or. 1974 vw bus ignition & electrical. The eleventh version with the gregg reference manual is revised and increased to satisfy the.

Depending On Your Carb, Distributor And Transmission, You Have From Zero To Two Vacuum Hoses.


Right click on the diagram/key/fuse box you want to download. Web 74 vw engine wiring diagram. In the shortest possible time an.

74 Vw Beetle Wiring Diagram Schematic.


The eleventh version with the gregg reference manual is revised and increased to satisfy the. Like a blueprint of a house, wiring diagrams help us understand how the electrical system of our cars are put. I need details of engine bay wiring from battery to starter to generater etc.

By Drawing Stith On Kamis, 17 Maret 2022 Labels:


1974 vw bus carburetors & air cleaners. Web usa, vw 1500 : 74 vw beetle wiring diagram wiring diagram is a simplified gratifying pictorial.

A Few Common Areas That.


Web web 1974 vw super beetle wiring harnesses with complete wiring diagrams. Need vacuum diagram for 1974 vw beetle with 34 pic carb. Web vw type 1 engine diagram in.

Web Analysis Of A Typical 74 Vw Bus Wiring Diagram When Reviewing A 74 Vw Bus Wiring Diagram, It Can Appear To Be Quite A Daunting Task.


1974 vw bus engine cooling. Posted by john o neill on aug 01, 2012. Contributions to this section are always welcome.