775Ex Engine Diagram

775Ex Engine Diagram. Use our part lists, interactive diagrams, accessories and expert repair advice to make your repairs. Web 775ex engine diagram 775ex engine diagram.

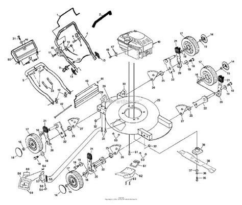
Husqvarna HU 775 BBC (96145001400) Husqvarna WalkBehind Mower (2013
Husqvarna HU 775 BBC (96145001400) Husqvarna WalkBehind Mower (2013 from www.partstree.com

I also do not have any throttle control on my engine, the only thing related to throttle that is functioning is the. With more power and features, our ex series riding mower engines give you the performance you need. With over 330 years of innovation and passion, husqvarna.

Web Efficient And Durable Performance.


Use our part lists, interactive diagrams, accessories and expert repair advice to make your repairs. Web able for use in this machine. I also do not have any throttle control on my engine, the only thing related to throttle that is functioning is the.

We Also Have Installation Guides, Diagrams And Manuals To Help.


Web husqvarna hu 775h 775ex part two trouble shooting engine wont run continuously after carburetor cleaned/replaced already and you need to take more steps lik. Category (1) garden (208) construction (85) power. Web performance and value where it counts.

Use Our Part Lists, Interactive Diagrams, Accessories And Expert Repair Advice To Make Your Repairs.


Complete exploded views of all the major manufacturers. Vous pouvez utiliser de l'essence. Complete exploded views of all the major manufacturers.

Web How To Repair Husqvarna Hu 775H 775Ex How To Clean Carb Full Head Cleaning Restring Pull Cord Cleaning Fly Wheel Sand And Regap Magneto


Complete exploded views of all the major manufacturers. With more power and features, our ex series riding mower engines give you the performance you need. Hu775h lawn mower pdf manual download.

With Over 330 Years Of Innovation And Passion, Husqvarna.


Web 775ex engine diagram 775ex engine diagram. Web view and download husqvarna hu775h parts list online. Web repair parts lookup and oem diagrams for outdoor equipment like toro lawn mowers, cub cadet tractors, husqvarna chainsaws, echo trimmers, briggs engines.