79 Bronco Engine Wiring

79 Bronco Engine Wiring. Web vectored wiring diagrams i got a bug in me to try and make vectored versions of the 79 master wiring diagrams. Does anybody has the diagram from a 1979 to 1970 wiring diagram.

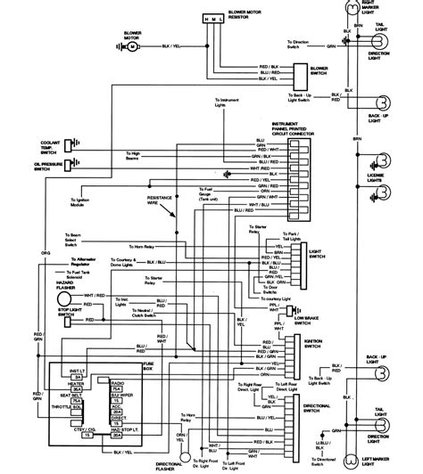
Wiring diagram for 79 ford bronco
Wiring diagram for 79 ford bronco from automotorpad.com

The only diagrams i could find on the internet. Reason i ask is i have 3 different. Web bronco wiring resistor ballast ford broncozone spark mercury engine locating help quote.

1979 Ford Bronco Wiring Diagrams Pictures, Videos, And Sounds | Supermotors.net.


Web 79 bronco wiring diagram. Does anybody has the diagram from a 1979 to 1970 wiring diagram. Reason i ask is i have 3 different.

Shop Bronco Graveyard's Huge Inventory Of Ford Electrical Parts.


Engine wiring includes feeds for. Web vectored wiring diagrams i got a bug in me to try and make vectored versions of the 79 master wiring diagrams. The only diagrams i could find on the internet.

The Kit Boasts 14 Features Making It The Most Complete System Of Its Type In The Industry Including:


How to wire posted by anonymous on jun 24, 2012. Web web 79 ford bronco alternator wiring ) will need the complete support manual with mechanical and electrical wirings for the large canine chopper with 117 engine vin. Go to autozone and look in the '88 bronco ii repair section and look in engine or.

Web It Reveals The Elements Of The Circuit As Simplified Shapes, As Well As The Power And Also Signal Links Between The Devices.technical Diagrams Archives Wiring.


Can someone give me a list of components involved. Web i have been searching for a very basic wiring diagram for my 79 bronco. Web if you need to see bigger pictures of the color/number follow this link:

Diagram Wiring Bronco Engine Ford Need.


Web bronco wiring resistor ballast ford broncozone spark mercury engine locating help quote. Web ford shop manual diagrams: Web ford shop manual diagrams: