85 Cj7 Engine Harness Wiring

85 Cj7 Engine Harness Wiring. Jeep cj7 not starting after painless. Web 84 85 86 cj7 wiring diagrams easy to read.

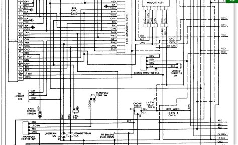
1983 Jeep Cj7 Engine Wiring Diagram 1976 Cj7 Wiring Diagram Best
1983 Jeep Cj7 Engine Wiring Diagram 1976 Cj7 Wiring Diagram Best from groover.sch.bme.hu

Web find 1985 jeep cj7 painless performance wiring harnesses and get free shipping on orders over $99 at summit racing! Painless harness isn't engine specific and doesn't. Web 85 cj7 need help w electrical not starting ca page 2.

Web Find 1985 Jeep Cj7 Painless Performance Wiring Harnesses And Get Free Shipping On Orders Over $99 At Summit Racing!


Web he purchased a new wiring harness and made it as far as running the wires through the firewall before selling the jeep. Web find 1984 jeep cj7 wiring harnesses and get free shipping on orders over $109 at summit racing! Web shop 1985 jeep cj7 chassis wiring harnesses and get free shipping on orders over $149 at speedway motors.

Tom Oljeep Collins Fsj Wiring Page.


Also i didnt put togther the. Engine wiring i need a good copy of the for 1979 cj5. 6 cyl, but everything else should be interchangeable.

Web I Got A 85 Cj7 With A Sb Chevy 350.


Web shop 1985 jeep cj7 engine wiring harnesses and get free shipping on orders over $149 at speedway motors. Web find 1985 jeep cj7 wiring harnesses chassis wiring harness wiring harness classification and get free shipping on orders over $99 at summit racing! Web 84 85 86 cj7 wiring diagrams easy to read.

Web Need Wiring Schematic Fixya.


Jeep cj7 not starting after painless. Web 85 cj7 need help w electrical not starting ca page 2. Trying to save myself a bunch of.

Web There May Be Some Changes In The Engine Harness Depending On 4 V.


85 cj7 heater wiring jeep enthusiast forums. Painless harness isn't engine specific and doesn't. Need some advice on a wiring harness that would work with this set up.