88 Bronco Wiring Engine

88 Bronco Wiring Engine. Hey guys i just recently purchased an 88 bronco 2, automatic 4x4 with a 2.9l v6. Be the first to answer apr 21, 2014 • 1989 ford bronco ii.

How do you adjust the linkage on a 88 bronco II tranny?
How do you adjust the linkage on a 88 bronco II tranny? from www.justanswer.com

If paying with a check or money. Be the first to answer apr 21, 2014 • 1989 ford bronco ii. Web web on an 88 f150, pin 50 at the firewall connector (big round connecter with 10mm bolt) is a gray/yellow wire.

Web 88 Bronco 2 Engine Swap.


Bronco ford diagram fuel pump 1988 wiring engine relay. 88 bronco ii wiring maze,, pics included. Hey guys i just recently purchased an 88 bronco 2, automatic 4x4 with a 2.9l v6.

Be The First To Answer Apr 21, 2014 • 1989 Ford Bronco Ii.


If paying with a check or money. Web web on an 88 f150, pin 50 at the firewall connector (big round connecter with 10mm bolt) is a gray/yellow wire. Web 88 bronco ii wiring maze,, pics included.

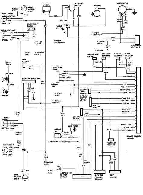
Web Engine Wiring Diagram View All » Question About 1988 Ford Bronco Ii.


Web 88 bronco engine wiring 88 bronco engine wiring. Web wiring diagram for a 1988 5.0 bronco. Web find 1988 ford bronco ii wiring harnesses and get free shipping on orders over $99 at summit racing!

Start Date Dec 29, 2011;


1989 ford mustang gt 5.0 302 fox body wiring. 1987 ford bronco engine speed: Go to autozone and look in.

Web Find 1988 Ford Bronco Ii.


Web 4.88 out of 5 stars. Web 88 f350 wiring diagram i have an 88 f350 and i screwed up the wiring order on the plugs. Web car wont start unless gas pedal pressed have to keep pedal floored to keep it running.